Pilz PNOZ X2.8P Safety Relay Configuration
PNOZ X2.8P is a popular safety relay product from Pilz with a high cost-effectiveness. It belongs to the PNOZ X series. It is easy to configure, can quickly realize multiple functions, is equipped with spring-loaded or screw-type connections to support fast installation, and has compact size. It is suitable for emergency stop, safety door, and light curtain safety circuit scenarios.
PNOZ X series product introduction
| Product Name | Description | ||
| Two-hand monitoring | The two-hand monitors PNOZ X ensure safe monitoring of two-hand pushbuttons in categories IIC and IIIA (according to EN 574). | ||
| To monitor emergency stops, safety gates, light barriers | The safety relays PNOZ X monitor emergency stop buttons, safety gates, light barriers, light grids, light curtains and limit switches. | ||
| Pressure sensitive mat monitoring | Ideal for monitoring safety edges and safety mats | ||
Muting controller | Muting controller for suspending safety functions (muting) | ||
Standstill and voltage monitoring | For safe monitoring of standstill or voltage | ||
Time monitoring | PNOZ X safety relays can monitor emergency stops, safety doors, light barriers, and have a delayed power-off function. Some units can be used as safety timing relays with functions such as pulse timing. | ||
Next, we will briefly introduce the parameter settings of the PNOZ X.8P safety relay.
Basic description of LED indicator function
| Text description | State | Functional Description |
| POWER | Always on | Power status indicator |
| CH.1 | Always on | Input circuit of channel S12 is closed |
| CH.2 | Always on | Input circuit of channel S22 is closed |
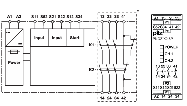
Terminal Function Description
| Terminal number | Functional Description |
| A1、A2 | Power supply |
| S11、S52 | Safety input channel 1 |
| S21、S22 | Safety input channel 2 |
S12、S34 | Startup circuit (reset mode) |
13、14 | Safety contacts |
23、24 | Safety contacts |
33、34 | Safety contacts |
41、42 | Auxiliary contacts |
The terminal arrangement can refer to the figure above.
Specific description:
Single channel operation
Input circuit has no redundant design and can detect ground faults in the start-up circuit and input circuit.
Dual-channel operation
1. Short circuit detection between contacts (selectable according to actual situation)
2. Redundant input circuit is adopted to detect ground fault of start circuit and input circuit, as well as short circuit of input circuit and monitored start circuit.
3. Short circuit detection between contacts with short circuit detection between contacts: Based on the above functions, a short circuit detection function between the input circuit contacts has been added.
Startup mode
1. Automatic start: When the input circuit is closed, the unit is directly activated.
2. Manual start: The unit is activated only when the input circuit and the start circuit are closed at the same time.
Note: Some of the information in this article is referenced from Pilz brand public information, which is intended to share industry technology and interpret products. The copyright belongs to the original company and will be deleted if infringed.
Source reference: Pilz Official Website – PNOZ X Safety Relays
Related Safety Products
👉 Want to know about safety relays suitable for scenarios such as safety doors, light curtains and emergency stop buttons? Welcome to check out our recommended products:








