Technology-Leading Manufacturer Of Industrial Automation Safety Sensors

Home / All / Sensor Products / Safety Light Curtains

What Are Safety Light Curtains?

Safety light curtains are an important safety device that provides effective protection for personnel and equipment and helps reduce accidents in the workplace. Safety light curtains consist of a transmitter and a receiver. The transmitter emits multiple light beams, and the receiver receives and detects whether the light beams are complete. When a person or object enters the range of the light curtain, the light beam will be blocked, triggering the safety system to stop operating or take other safety measures.

Known as safety light screens or safety light barrier sensors, these curtains are ideal for automated production lines, industrial robots, and mechanical processing equipment where maintaining a safe distance is critical. DADISICK's high-quality safety light curtains are customizable to meet diverse operational needs, ensuring maximum safety, reliability, and accident prevention.

DADISICK Safety Light Curtains – Product Series

We offer a full range of industrial light curtain solutions to meet different safety and automation needs. Please choose the safety light curtain that meets your needs.
DADISICK Safety Light Curtain KT Series
Applicable to automated equipment, anti-interference
DADISICK Safety Light Curtain QBT Series
50m wide-range protection of hazardous areas
DADISICK Safety Light Curtain QZ Series
Eliminate dead zones, 0.01-second response time
DADISICK Safety Light Curtain QM Series
Can cascade 2 or 3 light curtains into L- or U-shaped configurations
DADISICK Safety Light Curtain QSA Series
Meet IP68 waterproof and dustproof standards
DADISICK Safety Light Curtain KT Series
Economical solution for minimal space
DADISICK Safety Light Curtain QBT Series
Ultra-thin front design for maximum reliability
DADISICK Safety Light Curtain QM Series
High-precision resolution with anti-mask function
DADISICK Safety Light Curtain QSA Series
Multi-zone protection safety light barrier

Safety Light Curtains

What Are Safety Light Curtains?

Safety light curtains are an important safety device that provides effective protection for personnel and equipment and helps reduce accidents in the workplace. Safety light curtains consist of a transmitter and a receiver. The transmitter emits multiple light beams, and the receiver receives and detects whether the light beams are complete. When a person or object enters the range of the light curtain, the light beam will be blocked, triggering the safety system to stop operating or take other safety measures.

Known as safety light screens or safety light barrier sensors, these curtains are ideal for automated production lines, industrial robots, and mechanical processing equipment where maintaining a safe distance is critical. DADISICK's high-quality safety light curtains are customizable to meet diverse operational needs, ensuring maximum safety, reliability, and accident prevention.

DADISICK Safety Light Curtains – Product Series

We offer a full range of industrial light curtain solutions to meet different safety and automation needs. Please choose the safety light curtain that meets your needs.
DADISICK Safety Light Curtain KT Series
Applicable to automated equipment, anti-interference
DADISICK Safety Light Curtain QBT Series
50m wide-range protection of hazardous areas
DADISICK Safety Light Curtain QZ Series
Eliminate dead zones, 0.01-second response time
DADISICK Safety Light Curtain QM Series
Can cascade 2 or 3 light curtains into L- or U-shaped configurations
DADISICK Safety Light Curtain QSA Series
Meet IP68 waterproof and dustproof standards
DADISICK Safety Light Curtain KT Series
Economical solution for minimal space
DADISICK Safety Light Curtain QBT Series
Ultra-thin front design for maximum reliability
DADISICK Safety Light Curtain QM Series
High-precision resolution with anti-mask function
DADISICK Safety Light Curtain QSA Series
Multi-zone protection safety light barrier
Safety Light Curtains operate on a simple yet effective principle. They emit an array of parallel beams of light across the guarded area. A transmitter unit sends out the beams, while a receiver unit detects them. When an object or person interrupts these beams, the receiver unit signals the machinery control system to halt its operation immediately. Browse our product range to find the perfect safety solution for your industrial environment.
Image

Safety Light Curtains

ModelDescription
QCE42-30-1230 2BB|Safety Light Curtain|DADISICKQCE42-30-1230 2BB|Safety Light Curtain|DADISICKQCE42-30-1230 2BBBeam spacing: 30mm
Number of optical axes: 42
Protection height: 1230mm
Safety light curtain outputs (OSSD)2 PNP
QT20-40-760-2BB|Safety Light Barrier|DADISICKQT20-40-760-2BB|Safety Light Barrier|DADISICKQT20-40-760-2BBBeam spacing:40mm
Number of optical axes:20
Protection height:760mm
Safety sensors for machines output (OSSD):2 PNP
QO10-20-180-2BB|Floating Blanking|DADISICKQO10-20-180-2BB|Floating Blanking|DADISICKQO10-20-180-2BBBeam spacing:20mm
Number of optical axes: 10
Protection height: 180mm
Safety Curtain outputs (OSSD):2 PNP
QCE10-20-180 2BB|Security Light Curtain|DADISICKQCE10-20-180 2BB|Security Light Curtain|DADISICKQCE10-20-180 2BBBeam spacing: 20mm
Number of optical axes: 10
Protection height: 180mm
Security light curtain outputs (OSSD)2 PNP
Cascade Safety Light Curtain | DADISICK | QT4 319-7.5-2385-2BBCascade Safety Light Curtain | DADISICK | QT4 319-7.5-2385-2BBQT4 319-7.5-2385-2BBBeam spacing: 7.5mm
Number of optical axes: 319
Protection height: 2385mm
Safety Curtain outputs (OSSD):2 PNP
Cascade Safety Light Curtain | DADISICK | QT4 311-7.5-2325-2BBCascade Safety Light Curtain | DADISICK | QT4 311-7.5-2325-2BBQT4 311-7.5-2325-2BBBeam spacing: 7.5mm
Number of optical axes: 311
Protection height: 2325mm
Safety Curtain outputs (OSSD):2 PNP
Cascade Safety Light Curtain | DADISICK | QT4 303-7.5-2265-2BBCascade Safety Light Curtain | DADISICK | QT4 303-7.5-2265-2BBQT4 303-7.5-2265-2BBBeam spacing: 7.5mm
Number of optical axes: 303
Protection height: 2265mm
Safety Curtain outputs (OSSD):2 PNP
Cascade Safety Light Curtain | DADISICK | QT4  295-7.5-2205-2BBCascade Safety Light Curtain | DADISICK | QT4 295-7.5-2205-2BBQT4 295-7.5-2205-2BBBeam spacing: 7.5mm
Number of optical axes: 295
Protection height: 2205mm
Safety Curtain outputs (OSSD):2 PNP
Cascade Safety Light Curtain | DADISICK | QT4  287-7.5-2145-2BBCascade Safety Light Curtain | DADISICK | QT4 287-7.5-2145-2BBQT4 287-7.5-2145-2BBBeam spacing: 7.5mm
Number of optical axes: 287
Protection height: 2145mm
Safety Curtain outputs (OSSD):2 PNP
Cascade Safety Light Curtain | DADISICK | QT4  279-7.5-2085-2BBCascade Safety Light Curtain | DADISICK | QT4 279-7.5-2085-2BBQT4 279-7.5-2085-2BBBeam spacing: 7.5mm
Number of optical axes: 279
Protection height: 2085mm
Safety Curtain outputs (OSSD):2 PNP
Cascade Safety Light Curtain | DADISICK | QT4 271-7.5-2025-2BBCascade Safety Light Curtain | DADISICK | QT4 271-7.5-2025-2BBQT4 271-7.5-2025-2BBBeam spacing: 7.5mm
Number of optical axes: 271
Protection height: 2025mm
Safety Curtain outputs (OSSD):2 PNP
Cascade Safety Light Curtain | DADISICK | QT4 263-7.5-1965-2BBCascade Safety Light Curtain | DADISICK | QT4 263-7.5-1965-2BBQT4 263-7.5-1965-2BBBeam spacing: 7.5mm
Number of optical axes: 263
Protection height: 1965mm
Safety Curtain outputs (OSSD):2 PNP
Cascade Safety Light Curtain | DADISICK | QT4 255-7.5-1905-2BBCascade Safety Light Curtain | DADISICK | QT4 255-7.5-1905-2BBQT4 255-7.5-1905-2BBBeam spacing: 7.5mm
Number of optical axes: 255
Protection height: 1905mm
Safety Curtain outputs (OSSD):2 PNP
Cascade Safety Light Curtain | DADISICK | QT4 247-7.5-1845-2BBCascade Safety Light Curtain | DADISICK | QT4 247-7.5-1845-2BBQT4 247-7.5-1845-2BBBeam spacing: 7.5mm
Number of optical axes: 247
Protection height: 1845mm
Safety Curtain outputs (OSSD):2 PNP
Cascade Safety Light Curtain | DADISICK | QT4 239-7.5-1785-2BBCascade Safety Light Curtain | DADISICK | QT4 239-7.5-1785-2BBQT4 239-7.5-1785-2BBBeam spacing: 7.5mm
Number of optical axes: 239
Protection height: 1785mm
Safety Curtain outputs (OSSD):2 PNP
Cascade Safety Light Curtain | DADISICK | QT4 231-7.5-1725-2BBCascade Safety Light Curtain | DADISICK | QT4 231-7.5-1725-2BBQT4 231-7.5-1725-2BBBeam spacing: 7.5mm
Number of optical axes: 231
Protection height: 1725mm
Safety Curtain outputs (OSSD):2 PNP
Cascade Safety Light Curtain | DADISICK | QT4 200-15-2985-2BBCascade Safety Light Curtain | DADISICK | QT4 200-15-2985-2BBQT4 200-15-2985-2BBBeam spacing: 15mm
Number of optical axes: 200
Protection height: 2985mm
Safety Curtain outputs (OSSD):2 PNP
Cascade Safety Light Curtain | DADISICK | QT4 196-15-2925-2BBCascade Safety Light Curtain | DADISICK | QT4 196-15-2925-2BBQT4 196-15-2925-2BBBeam spacing: 15mm
Number of optical axes: 196
Protection height: 2925mm
Safety Curtain outputs (OSSD):2 PNP
Cascade Safety Light Curtain | DADISICK | QT4 192-15-2865-2BBCascade Safety Light Curtain | DADISICK | QT4 192-15-2865-2BBQT4 192-15-2865-2BBBeam spacing: 15mm
Number of optical axes: 192
Protection height: 2865mm
Safety Curtain outputs (OSSD):2 PNP
Cascade Safety Light Curtain | DADISICK | QT4 188-15-2805-2BBCascade Safety Light Curtain | DADISICK | QT4 188-15-2805-2BBQT4 188-15-2805-2BBBeam spacing: 15mm
Number of optical axes: 188
Protection height: 2805mm
Safety Curtain outputs (OSSD):2 PNP

Safety Light Curtain Applications and Solutions

Safety light curtain Solutions
Safety Light Curtain Solutions
Area Safety Solutions
Area Safety Solutions
Multi-Sided Access Protection Light Curtain Solutions
Multi-Sided Access Protection Light Curtain Solutions

Why Use Light Curtain Safety Devices?

✅ Non-contact protection: No need for mechanical guards, improving workflow efficiency.
✅ Fast response time: Stops hazardous motion in milliseconds.
✅ Versatile applications: Works in presses, robotic arms, conveyors, and automated assembly lines.
✅ Compliance: Certified to Type 2 & Type 4, SIL3, and PL e safety levels.

Advantages of Safety Light Curtains

A safety light curtain is a sensing device designed to protect personnel from injury. These devices are most commonly used in factory automation for machine safeguarding. Unlike typical photoelectric sensors, safety light curtains monitor themselves through redundant signals and will stop the hazard (ex., machine) if an internal fault is detected.

Advantage 1: Multi-angle safety light curtains can be customized according to requirements

Special-shaped light curtains with different angles such as L-shape/U-shape can be customized. We have professional optical technology engineers and production factories, which can provide targeted solutions according to your project needs and produce products that meet the requirements.

Advantage 2: Reliable safety performance

The safety light curtain has perfect self-inspection function: when the safety sensor fails, it is guaranteed not to send wrong signals to the controlled electrical appliances; strong anti-interference ability: the system has good performance on electromagnetic signals, strobe lights, welding arcs and surrounding light sources Excellent anti-interference ability; short response time (≤15ms), high safety and reliability; conforms to the safety level of the International Electrotechnical Society IEC61496-1/2 standard, and CE certification of TUV.

Advantage 3: Easy to install and easy to use

Thanks to the slim design and practical mounting bracket, the installation, commissioning and calibration of the safety light curtain are very easy, the wiring is simple, and the appearance is beautiful. Light curtains are also more flexible than safety fences or hardware guards and require no effort to open/close. This makes safety light curtains ideal for securing machines that require frequent access.

Safety Light Curtain Technology Guide

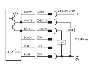
Safety light curtain PNP NC output
How To Wire A Safety Light Curtain?
This article systematically introduces the key points of safety light curtain wiring and usage from multiple dimensions, including structure/function, output type (NPN/PNP), NO/NC differences, wiring diagrams, wiring precautions, common troubleshooting, and application scenarios.
Optical Synchronization Safety Light Curtain
What Is The Difference Between Optical Synchronization And Wire Synchronization In Safety Light Curtains?
This section introduces two synchronization methods for safety light curtains: optical synchronization and line synchronization. The most suitable synchronization method should be selected based on the installation environment, distance, interference intensity, and wiring conditions.
Safety light curtain application scenarios
Detailed Explanation Of Common Faults And Troubleshooting Methods For Safety Light Curtain Sensors
This article introduces the working principle, common fault types, and corresponding troubleshooting methods of safety light curtain sensors. The core principle is that the light curtain uses infrared beams to form a "virtual safety barrier." When the beams are blocked or interfered with, it will trigger a shutdown or alarm.
Safety light curtain finger protection
What Is The Safety Light Curtain Resolution?
Light curtain resolution refers to the smallest object size that a safety light curtain can detect, usually expressed in millimeters, and is selected based on specific security requirements and cost considerations. Higher resolution results in more precise detection, but also typically higher prices.

Typical Applications of Safety Light Barriers

DADISICK light guards for machinery are suitable for various industries:
Press Machines & Punching Equipment – Precision hand/finger protection
Press Machines & Punching Equipment – Precision hand/finger protection.

Light curtain access guarding
Robotic Cells & Automated Assembly Lines – Perimeter and access guarding.

Packaging & Conveyor Systems – Safe yet efficient material flow
Packaging & Conveyor Systems – Safe yet efficient material flow.

Automatic safety curtains for AGVs and palletizers
Warehouse & Logistics Automation – Automatic safety curtains for AGVs and palletizers.

Frequently Asked Questions About Safety Light Curtains

Safety is a top priority in any industrial setting. Safety Light Curtains have emerged as a vital component in maintaining a secure work environment. These innovative devices are designed to detect the presence of objects or personnel within their coverage area and respond by ensuring the immediate cessation of machinery operations.

Are light curtains easy to install?

The DADISICK series of light curtains offers a variety of options. The high-power DADISICK series includes a variety of pre-assembled mounting brackets and built-in alignment indicators. The compact design of the DADISICK series allows installation in tight spaces.

Three wiring systems are available. Our optical sync and single-wire systems reduce wiring, while wired sync provides additional functionality when needed.

Will the machine stop if the light intensity decreases?

Traditional light curtains require regular maintenance to prevent downtime and other problems caused by reduced received light intensity. This dip can be caused by misalignment (due to shock or vibration) or by oil or dirt. Either condition can reduce the amount of light received enough to trigger the light curtain to stop the machine.

The robust design of the DADISICK series of light curtains prevents misalignment while ensuring stable detection even when oil or dust is stuck on the lens. Not only does this help prevent unplanned downtime, but it also helps avoid frequent maintenance.

Safety Light Curtain Applications and Solutions

Safety light curtain Solutions
Safety Light Curtain Solutions
Area Safety Solutions
Area Safety Solutions
Multi-Sided Access Protection Light Curtain Solutions
Multi-Sided Access Protection Light Curtain Solutions

Why Use Light Curtain Safety Devices?

✅ Non-contact protection: No need for mechanical guards, improving workflow efficiency.
✅ Fast response time: Stops hazardous motion in milliseconds.
✅ Versatile applications: Works in presses, robotic arms, conveyors, and automated assembly lines.
✅ Compliance: Certified to Type 2 & Type 4, SIL3, and PL e safety levels.

Advantages of Safety Light Curtains

A safety light curtain is a sensing device designed to protect personnel from injury. These devices are most commonly used in factory automation for machine safeguarding. Unlike typical photoelectric sensors, safety light curtains monitor themselves through redundant signals and will stop the hazard (ex., machine) if an internal fault is detected.

Advantage 1: Multi-angle safety light curtains can be customized according to requirements

Special-shaped light curtains with different angles such as L-shape/U-shape can be customized. We have professional optical technology engineers and production factories, which can provide targeted solutions according to your project needs and produce products that meet the requirements.

Advantage 2: Reliable safety performance

The safety light curtain has perfect self-inspection function: when the safety sensor fails, it is guaranteed not to send wrong signals to the controlled electrical appliances; strong anti-interference ability: the system has good performance on electromagnetic signals, strobe lights, welding arcs and surrounding light sources Excellent anti-interference ability; short response time (≤15ms), high safety and reliability; conforms to the safety level of the International Electrotechnical Society IEC61496-1/2 standard, and CE certification of TUV.

Advantage 3: Easy to install and easy to use

Thanks to the slim design and practical mounting bracket, the installation, commissioning and calibration of the safety light curtain are very easy, the wiring is simple, and the appearance is beautiful. Light curtains are also more flexible than safety fences or hardware guards and require no effort to open/close. This makes safety light curtains ideal for securing machines that require frequent access.

Safety Light Curtain Technology Guide

Safety light curtain PNP NC output
How To Wire A Safety Light Curtain?
This article systematically introduces the key points of safety light curtain wiring and usage from multiple dimensions, including structure/function, output type (NPN/PNP), NO/NC differences, wiring diagrams, wiring precautions, common troubleshooting, and application scenarios.
Optical Synchronization Safety Light Curtain
What Is The Difference Between Optical Synchronization And Wire Synchronization In Safety Light Curtains?
This section introduces two synchronization methods for safety light curtains: optical synchronization and line synchronization. The most suitable synchronization method should be selected based on the installation environment, distance, interference intensity, and wiring conditions.
Safety light curtain application scenarios
Detailed Explanation Of Common Faults And Troubleshooting Methods For Safety Light Curtain Sensors
This article introduces the working principle, common fault types, and corresponding troubleshooting methods of safety light curtain sensors. The core principle is that the light curtain uses infrared beams to form a "virtual safety barrier." When the beams are blocked or interfered with, it will trigger a shutdown or alarm.
Safety light curtain finger protection
What Is The Safety Light Curtain Resolution?
Light curtain resolution refers to the smallest object size that a safety light curtain can detect, usually expressed in millimeters, and is selected based on specific security requirements and cost considerations. Higher resolution results in more precise detection, but also typically higher prices.

Typical Applications of Safety Light Barriers

DADISICK light guards for machinery are suitable for various industries:
Press Machines & Punching Equipment – Precision hand/finger protection
Press Machines & Punching Equipment – Precision hand/finger protection.

Light curtain access guarding
Robotic Cells & Automated Assembly Lines – Perimeter and access guarding.

Packaging & Conveyor Systems – Safe yet efficient material flow
Packaging & Conveyor Systems – Safe yet efficient material flow.

Automatic safety curtains for AGVs and palletizers
Warehouse & Logistics Automation – Automatic safety curtains for AGVs and palletizers.

Frequently Asked Questions About Safety Light Curtains

Safety is a top priority in any industrial setting. Safety Light Curtains have emerged as a vital component in maintaining a secure work environment. These innovative devices are designed to detect the presence of objects or personnel within their coverage area and respond by ensuring the immediate cessation of machinery operations.

Are light curtains easy to install?

The DADISICK series of light curtains offers a variety of options. The high-power DADISICK series includes a variety of pre-assembled mounting brackets and built-in alignment indicators. The compact design of the DADISICK series allows installation in tight spaces.

Three wiring systems are available. Our optical sync and single-wire systems reduce wiring, while wired sync provides additional functionality when needed.

Will the machine stop if the light intensity decreases?

Traditional light curtains require regular maintenance to prevent downtime and other problems caused by reduced received light intensity. This dip can be caused by misalignment (due to shock or vibration) or by oil or dirt. Either condition can reduce the amount of light received enough to trigger the light curtain to stop the machine.

The robust design of the DADISICK series of light curtains prevents misalignment while ensuring stable detection even when oil or dust is stuck on the lens. Not only does this help prevent unplanned downtime, but it also helps avoid frequent maintenance.

Ask DADISICK

Hello! You've come to the right place to get answers about our products and solutions.In addition to DADISICK's own range of over 2000 products, we also offer a wide range of branded replacement products to meet your specific requirements.Our sales engineers are ready to provide comprehensive support at all levels of the business, from the design and research phase to model selection, on-site guidance and production line operation after product adoption. Use the form below to ask us about your needs and we will contact you as soon as possible .
  • Ask DADISICK
    • *Email
      Name
Get Your Free Automated Safety Sensor Solution